エイブリックは、車載用3~6セルバッテリー監視IC「S-19192シリーズ」の販売を12月3日より開始した。
バッテリー監視ICは、主にリチウムバッテリーの状態監視に用いられるIC。従来、自動車・バイク用12V系電源には鉛バッテリーが多く使われてきたが、環境規制の強化により、鉛バッテリーに代わる電源としてリチウムバッテリーへの期待が高まっている。また、重要な制御機能用の電源が喪失するといった万が一の事態に備えるため、より確実なバックアップ電源を装備しておく必要性が高まることも予想されている。
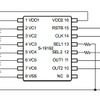
新製品S-19192シリーズは、車載用3~6セル直列バッテリー監視用IC。マイコンによる制御を必要としないスタンドアロン動作で、バッテリーの過充電・過放電を常時監視し続けることができる。また、IC内部の故障を検出できる自己診断(セルフテスト)機能を搭載。偶発故障により過充電・過放電監視機能が損なわれた場合でも、セルフテスト機能を使ってシステムに監視機能の故障を通知できる。
また、S-19192シリーズをバッテリーマネージメントシステム(BMS)のセカンダリ監視ICとして使うことで、プライマリ監視ICが故障した場合にもバッテリーの監視を継続でき、より安全性の高いBMSを実現する。動作時最大18μAと低消費電流動作が可能なため、暗電流制限要求の厳しいシステムにも使用できる。




